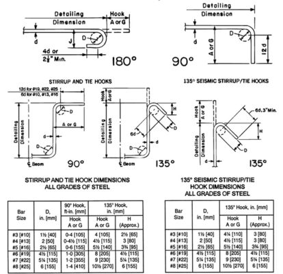
Móc được tạo trong cốt đai vì những lý do sau:

- Để tránh xô lệch cột.
- Yêu cầu chính về an toàn liên kết là nó tao ra một phần đủ bề rộng ,đủ về chiều dài của đai không vượt quá điểm cần để chịu ứng suất.
- Móc được cung cấp để chống lại chuyển động.
- Để ngăn chặn bê tông tách ra bên ngoài.
- Nó chống trượt thép từ bê tông.
- Để giữ các thanh thép dọc ở vị trí và giữ chặt thép.



